Trop de chaleur à dissiper, adaptation de puissance ou de tension :
Concept et principe du montage
Il n'est pas toujours nécessaire d'ajuster la vitesse de positionnement d'un mécanisme à la vitesse optimale, requise par un changement
de consigne (déplacement des cible, capteur ou référence) sur la totalité du parcours. On peut vouloir aller plus vite ou moins vite, voire très lentement.
Si un changement de consigne implique des déplacements relativement longs, multiples, avec des temps de repositionnement modulables ou
sans exigence particulière, avec ou sans précision en final (par ex. : multiples pointages précis d'une antenne TV sat., d'un projecteur ou
l'ouverture variable d'une trappe d'aération par vérin électrique, etc.), dans ces cas pourquoi dissiper de la puissance sous forme de chaleur sur la
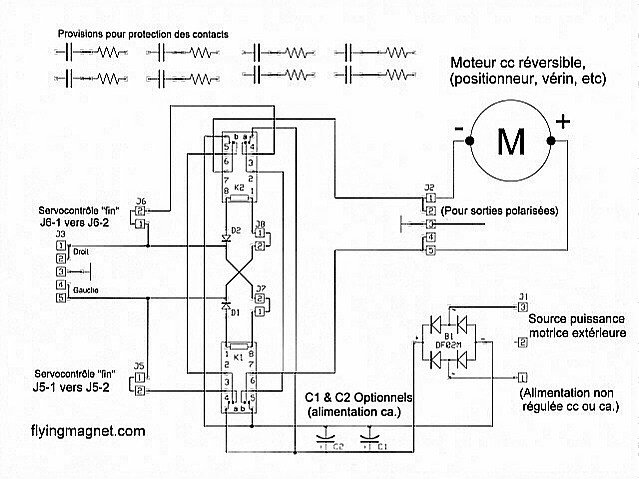
carte pour déplacer le système alors que seule la précision finale est pertinente ? de là, la suggestion du circuit interface ci haut.
Le servomoteur est actionné au travers des relais pendant les phases de déplacements longs alors qu'aucune précision n'est requise
(si l'application le permet) en utilisant une source quelconque CC ou CA non stabilisée. (cf. Notes.)
Il repassera en mode "fin" analogique à l'approche du point d'équilibre. Si un déséquilibre se reproduit, le servomécanisme recherchera la stabilité dans son régime normal, mais si ce déséquilibre atteint la valeur d'excitation d'un des relais, la régulation repassera en mode binaire.
La différence entre courant d'excitation et courant de maintien des relais permet ce fonctionnement.
Le pont B1 est préférable même avec une source CC, il évite d'avoir à se soucier de la polarité de la source (un fusible doit être inséré en entrée du pont). Avec ce circuit additionnel les transistors de sorties et les régulateurs 12 Volts ne surchauffent pas, même équipés de radiateurs minimaux (sous entendu qu'en ce qui concerne les régulateurs c'est le parti pris d'alimenter les étages de sortie après régulation qui est cause de leur échauffement).
Notes.
1) - Les principaux points étant que la source soit acceptable par l'élément moteur et que l'on reste dans des valeurs de basses tensions sécuritaires. Au vu des puissances modestes mises en jeux, il est préférable de privilégier les adaptateurs muraux CA/CC ou CA/CA de bonne qualité, les normes d'isolement seront conformes à l'application.
2) - L'adjonction d'un circuit extérieur peut faciliter l'implantation de fonctions souvent obligatoires comme :
- l'arrêt d'urgence par l'utilisateur, au niveau du moteur lui-même, complémenté par une mini période d'inversion de direction (un servomoteur avec réducteur de vitesse même de petite puissance peut être agressif...)
- l'arrêt et/ou inversion en fin de course utile
- l'arrêt en fin de course extrême, complémenté par une mini période d'inversion de direction.
Le choix du capteur/cible et leurs positionnements physiques dépendent du type de mouvement du système : rotation inférieure à 360°, rotation supérieure à 360°, linéaire, etc. Il est bon de prévoir la protection des capteur/cible en cas de dépassement notamment durant la mise au point, ne rien serrer trop fort, attention aux potentiomètres "mono-tour" avec rotation effective inférieure à 360°.
|
Choix des modes de fonctionnement :
Mode N°1 : Servo moteur en mode analogique normal :
- J5 & J6 fermés;
- J7 & J8 ouverts;
- pas de source externe sur J1.
Mode N°2 : Servo moteur alimenté par une source externe aux transistors de sortie durant le trajet d'approche, puis commuté en mode analogique près de la position d'équilibre :
- J5 & J6 fermés;
- J7 & J8 fermés;
- une des sources acceptables appliquée à J1.
Mode N°3 :
Positionnement "approché" 1 bit seulement :
- J5 & J6 ouverts
- J7 & J8 fermés
- une des sources acceptables appliquée à J1.
Sources acceptables appliquées à J1 :
Carte servo contrôle, avant régulation du ±12V. Un seul, les deux ensembles totalisent 36V, ce qui n'est pas un problème si l'élément moteur est en accord, mais il est peu probable qu'à la tension de retombée des relais, le moteur soit encore effectif, autant alors programmer le mode N°3;
Externe, indépendante ou pas, régulée ou pas ±12V nominal (l'utilisation du 12V stabilisé de la carte n'apporte pas grand chose, seuls les transistors de sortie seraient mis à l'abri de la dissipation excessive, en dehors de cas particuliers utiliser l'alimentation CA de la carte servo contrôle (14Vca, 800 mA);
Externe, indépendante ou pas, de l'ordre de 10-15 Vca. (les valeurs de C1 et C2 seront sélectionnées en conséquence). En premier choix logique, utiliser l'alimentation CA de la carte servo contrôle.
Cas judicieux d'utilisation :
Pendant la mise au point d'un nouveau système sous asservissement, délicat ou fragile, l'utilisation de cet interface en mode N°2, avec une source externe réglable depuis zéro volt, est très efficace contre les réactions violentes. |